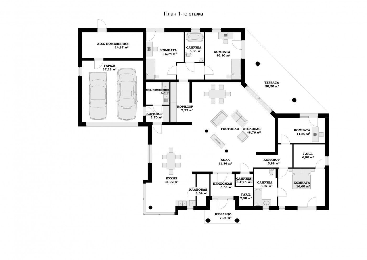
Дом стилистически относится к «парковым виллам», но имеет совершенно другую, интересную планировку и функциональное расположение. Дом одноэтажный, с дополнительным чердаком, который может оставаться пустым пространством над первым этажом, но также может выступать в качестве пригодного для использования чердака. Блок был спроектирован по плану буквы "L" с добавленной гаражной частью. Благодаря этой форме дом подойдет как для садового участка в задней части дома, так и для сада в стороне. План дома Вилла Parkowa 6 также может быть хорошей идеей для углового участка. Внутренний двор перед гаражами позволит бесплатную парковку на дороге, а также отделение гаража от представительного входа в дом - как в американских резиденциях. Внутренний внутренний дворик из сада создает закрытое, уютное террасное пространство с красивой крышей над террасой и двухэтажными окнами, соединяющими гостиную с садом. Мы попадаем в дом через широкую дверь с боковыми и верхними транцами, в приподнятый вестибюль с гардеробом, откуда мы попадаем в жилое пространство дома. В центре дома стоит прямоугольный блок стены камина, установленный под углом, который отделяет зал от гостиной. Слева от входа у нас есть красивая кухня с эркером с видом на вход и входной двор. Кухня с островом и мини-столовой для ежедневного приема пищи. Из кухни мы попадаем - по-американски - в подсобное помещение - с котельной и прачечной, а также в гараж. Два боковых крыла здания содержат комнаты для жильцов - две детские спальни с ванными комнатами в одной, и родительскую квартиру с ванной комнатой и гардеробной, а также кабинет в другом. В середине дома, в центральном месте, у нас есть красивая высокая гостиная и большое окно на террасу и в сад. Мезонин над гостиной спроектирован на верхнем этаже и является дополнительным пространством, где вы можете легко обустроить три дополнительные комнаты, или разделить складские помещения дома, или выделить весь чердак для отдыха - свободно. Дизайн - проект дома 24 на 18 является представительной роскошной загородной резиденцией, стильной и неподвластной времени архитектурой. Дом не маленький, но его размеры не преувеличены. Здание энергоэффективно и имеет продуманную конструкцию.
Что входит в базовую комплектацию
Фундамент - ребристая плита "перевернутая чаша": • Толщина плиты – 200мм • Высота ребра: 300 мм; • Бетон М350 (В25) • Рабочая арматура А500С – 12мм • Армирование плиты в два уровня ячейкой 200х200мм • Гидроизоляция плиты – профилированная мембрана Planter . Щебеночное основание 100мм • Песчаная подушка – 300мм • Геотекстиль по основанию песчаной подушки • Закладные трубы коммуникаций • Устройство канализационной трассы с выводом за пределы фундамента;
Стены несущие газобетон / теплая керамика • Наружные стены 400мм газобетон / 440мм керамика • Внутренние несущие стены 200мм газобетон / 200мм керамика • Блоки газобетонные Bonolit D500; / Теплая керамика Porotherm • Кладка на тонкошовный клей; / Теплый раствор • Черновая высота потолка 3,0м • Утепленный монолитный армопояс • Утепленные монолитные перемычки • Армирование кладки через каждые 3 ряда - А3 d6мм;
Полный цикл работ: от подбора участка до готового дома
Что входит в стоимость дома:
Приезжайте и лично убедитесь в нашей компетентности. Оставьте контакты и мы пригласим вас на объект.
Хотите увидеть одну из наших действующих строек?
Часто задаваемые вопросы
Гарантия до 10 лет на построенные нашей компанией дома. Мы уверены в профессионализме наших сотрудников и партнеров, которые поставляют нам строительные материалы и остуществляют работы.
Мы строим каменные дома из газобетона и керамических блоков. В работе используем проверенных производителей, таких как Бонолит, Ytong, Wienerberger, Технониколь и др.
Здесь многое зависит от различных факторов: например погоды, уровня грунтовых вод, уклона на участке, сложности заезда, площади дома и прочих условий. В среднем строительство дома из газобетона в два этажа 100 - 150 м2 занимает 3 - 4 месяца.
Конечно, мы строим по всей Республике Татарстан. При общении с менеджером сообщите ему, что вы хотели бы посетить один или несколько объектов и он подберет вам наиболее подходящие по вашему месторасположению.
Мы работаем по договору в котором фиксируем цену - никаких доплат не будет, даже если стоимость материалов вырастет в 1,5-2 раза. Мы имеем резервы материалов, которые приобрели еще по старым ценам.
Мы работаем со Сбербанком и другими кредитными организациями. При оформлении заявки на нашем сайте, сообщите нашему менеджеру, что планируете взять кредит через нашу компанию и он сориентирует вас по срокам и ставкам.