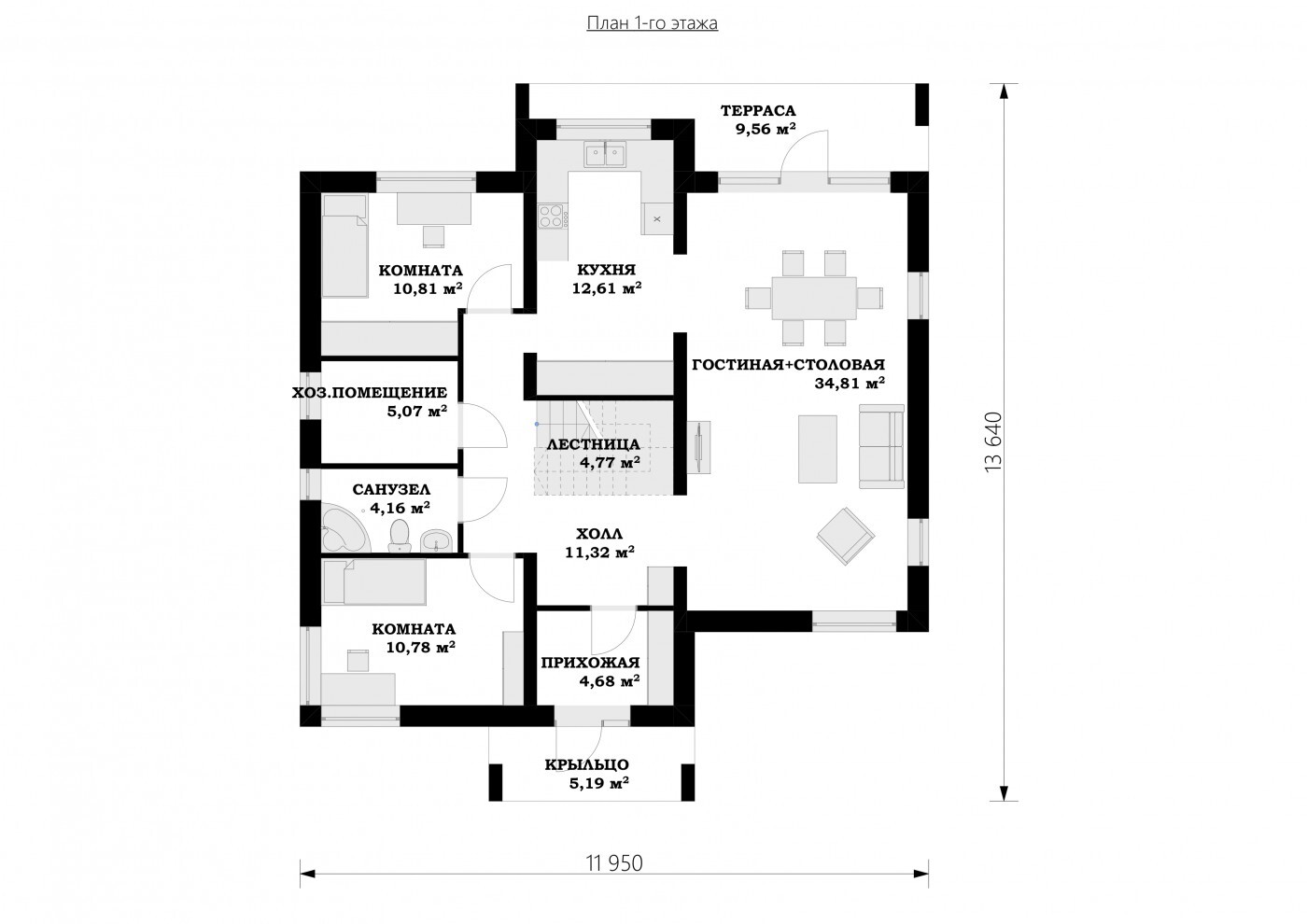
«Сердцем» двухэтажного дома 12 на 13 по проекту «Копенгаген» является просторная зона, объединяющая гостиную и столовую. Здесь приятно проводить время с близкими и удобно собираться большой компанией. По желанию в гостиной можно расположить камин, который станет символом вашего «домашнего очага» и создаст уют в интерьере. Дизайн проекта включает в себя большую кухню, о которой мечтает любая хозяйка, а также две ванных комнаты – по одной на каждом этаже (планировку добавили в карусель) «Копенгаген» станет для вас настоящим «семейным гнёздышком» – в пяти просторных спальнях поместится большая и дружная семья из 5-7 человек. Некоторые из этих комнат могут быть использованы в качестве гостевой или рабочего кабинета. Обратите внимание: проект дополнен двумя очень функциональными и полезными помещениями – подсобкой и гардеробной. Также «Копенгаген» имеет террасу – отличное место для отдыха на свежем воздухе. Разместите на ней летнюю мебель, шезлонги и жарьте шашлык рядом с домом.
Что входит в базовую комплектацию
Фундамент - ребристая плита "перевернутая чаша": • Толщина плиты – 200мм • Высота ребра: 300 мм; • Бетон М350 (В25) • Рабочая арматура А500С – 12мм • Армирование плиты в два уровня ячейкой 200х200мм • Гидроизоляция плиты – профилированная мембрана Planter . Щебеночное основание 100мм • Песчаная подушка – 300мм • Геотекстиль по основанию песчаной подушки • Закладные трубы коммуникаций • Устройство канализационной трассы с выводом за пределы фундамента;
Стены несущие газобетон / теплая керамика • Наружные стены 400мм газобетон / 440мм керамика • Внутренние несущие стены 200мм газобетон / 200мм керамика • Блоки газобетонные Bonolit D500; / Теплая керамика Porotherm • Кладка на тонкошовный клей; / Теплый раствор • Черновая высота потолка 3,0м • Утепленный монолитный армопояс • Утепленные монолитные перемычки • Армирование кладки через каждые 3 ряда - А3 d6мм;
Полный цикл работ: от подбора участка до готового дома
Что входит в стоимость дома:
Приезжайте и лично убедитесь в нашей компетентности. Оставьте контакты и мы пригласим вас на объект.
Хотите увидеть одну из наших действующих строек?
Часто задаваемые вопросы
Гарантия до 10 лет на построенные нашей компанией дома. Мы уверены в профессионализме наших сотрудников и партнеров, которые поставляют нам строительные материалы и остуществляют работы.
Мы строим каменные дома из газобетона и керамических блоков. В работе используем проверенных производителей, таких как Бонолит, Ytong, Wienerberger, Технониколь и др.
Здесь многое зависит от различных факторов: например погоды, уровня грунтовых вод, уклона на участке, сложности заезда, площади дома и прочих условий. В среднем строительство дома из газобетона в два этажа 100 - 150 м2 занимает 3 - 4 месяца.
Конечно, мы строим по всей Республике Татарстан. При общении с менеджером сообщите ему, что вы хотели бы посетить один или несколько объектов и он подберет вам наиболее подходящие по вашему месторасположению.
Мы работаем по договору в котором фиксируем цену - никаких доплат не будет, даже если стоимость материалов вырастет в 1,5-2 раза. Мы имеем резервы материалов, которые приобрели еще по старым ценам.
Мы работаем со Сбербанком и другими кредитными организациями. При оформлении заявки на нашем сайте, сообщите нашему менеджеру, что планируете взять кредит через нашу компанию и он сориентирует вас по срокам и ставкам.