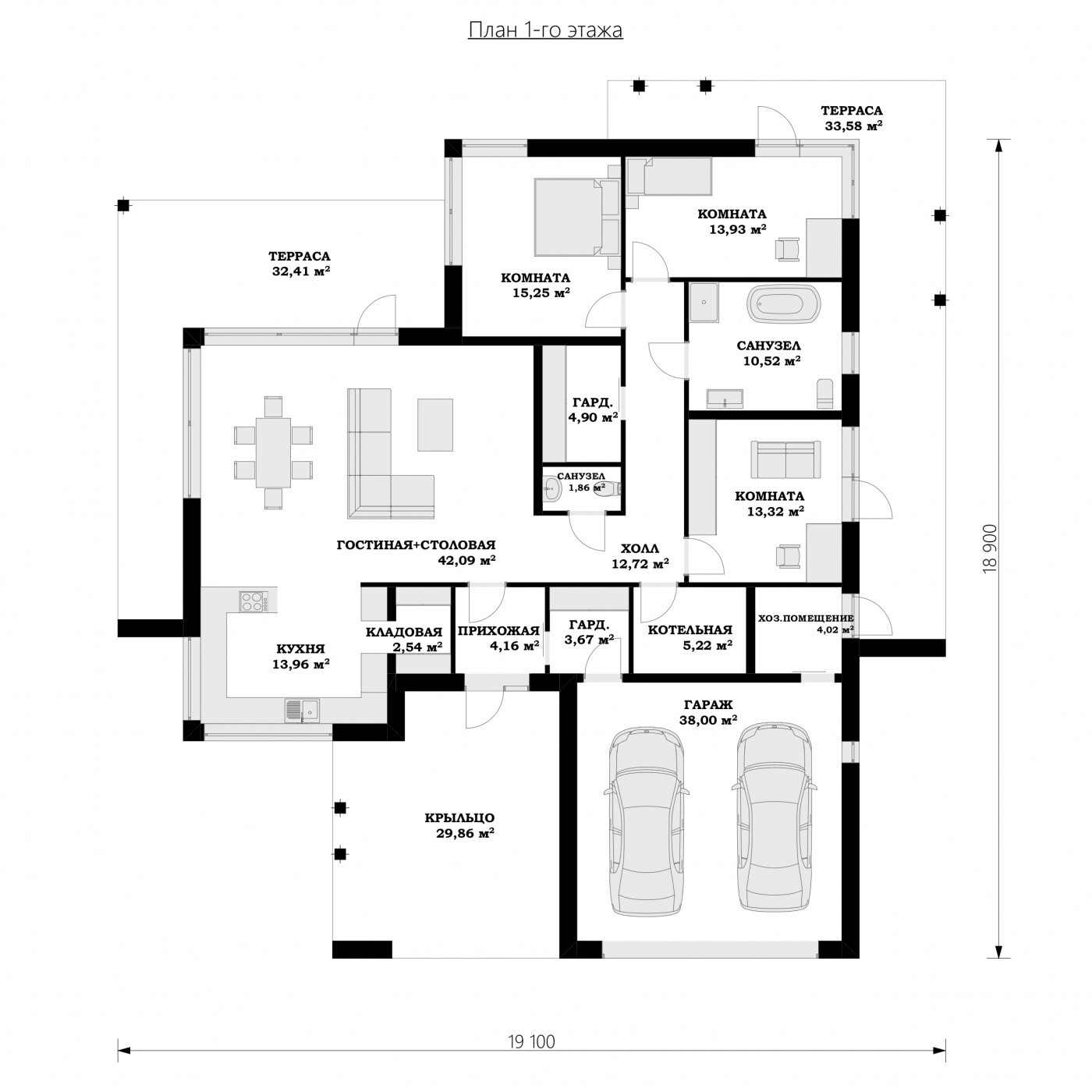
"Берлин" - привлекательный одноэтажный дом, размерами 19 х 19, принадлежащий все более популярной коллекции домов с плоской крышей. Это интересное сочетание внешнего кузова с очень удобными и функциональными интерьерами. Фасад дома, покрытый белой и серой силиконовой штукатуркой, был украшен эффектными балками, окружающими все здание. Особого внимания заслуживает красивая панорамная терраса с ажурной беседкой, защищающей отдыхающих соседей от чрезмерного солнечного света. Во внутреннем пространстве дом имеет большую 40-метровую дневную зону, которая является центром жизни всей семьи. Он прекрасно освещен панорамным остеклением. Гостиная отделена от кухни практическим полуостровом, который можно использовать как стол для завтрака. В ночной части есть 3 комфортабельных номера и большая семейная ванная комната и гардеробная. Проектировщики здания также позаботились об экономической зоне, без которой сложно представить современный односемейный дом. Жители имеют в своем распоряжении практичную кладовую у кухни, просторную котельную, которая служит прачечной и отдельной подсобной комнатой за гаражом на 2 машины. Дом спроектирован в энергосберегающем стандарте с механической вентиляцией.
Что входит в базовую комплектацию
Фундамент - ребристая плита "перевернутая чаша": • Толщина плиты – 200мм • Высота ребра: 300 мм; • Бетон М350 (В25) • Рабочая арматура А500С – 12мм • Армирование плиты в два уровня ячейкой 200х200мм • Гидроизоляция плиты – профилированная мембрана Planter . Щебеночное основание 100мм • Песчаная подушка – 300мм • Геотекстиль по основанию песчаной подушки • Закладные трубы коммуникаций • Устройство канализационной трассы с выводом за пределы фундамента;
Стены несущие газобетон / теплая керамика • Наружные стены 400мм газобетон / 440мм керамика • Внутренние несущие стены 200мм газобетон / 200мм керамика • Блоки газобетонные Bonolit D500; / Теплая керамика Porotherm • Кладка на тонкошовный клей; / Теплый раствор • Черновая высота потолка 3,0м • Утепленный монолитный армопояс • Утепленные монолитные перемычки • Армирование кладки через каждые 3 ряда - А3 d6мм;
Приезжайте и лично убедитесь в нашей компетентности. Оставьте контакты и мы пригласим вас на объект.
Хотите увидеть одну из наших действующих строек?
Часто задаваемые вопросы
Гарантия до 10 лет на построенные нашей компанией дома. Мы уверены в профессионализме наших сотрудников и партнеров, которые поставляют нам строительные материалы и остуществляют работы.
Мы строим каменные дома из газобетона и керамических блоков. В работе используем проверенных производителей, таких как Бонолит, Ytong, Wienerberger, Технониколь и др.
Здесь многое зависит от различных факторов: например погоды, уровня грунтовых вод, уклона на участке, сложности заезда, площади дома и прочих условий. В среднем строительство дома из газобетона в два этажа 100 - 150 м2 занимает 3 - 4 месяца.
Конечно, мы строим по всей Республике Татарстан. При общении с менеджером сообщите ему, что вы хотели бы посетить один или несколько объектов и он подберет вам наиболее подходящие по вашему месторасположению.
Мы работаем по договору в котором фиксируем цену - никаких доплат не будет, даже если стоимость материалов вырастет в 1,5-2 раза. Мы имеем резервы материалов, которые приобрели еще по старым ценам.
Мы работаем со Сбербанком и другими кредитными организациями. При оформлении заявки на нашем сайте, сообщите нашему менеджеру, что планируете взять кредит через нашу компанию и он сориентирует вас по срокам и ставкам.